一、產品簡況
1、結果基本特征:
- 打出電流企業規模:3.5V-32V
- 傷害線電壓總量:2.0V-30V
- 可和程序編寫旋鈕谷值電流大小:20A
- 觸點開關頻度:150kHz/300kHz
- 撐持1-6串充點
- 撐持PWM調壓、調直流電壓
- 撐持欠壓擋拆、過壓擋拆、過流擋拆、漏電擋拆和過溫擋拆等
- 封口:QFN4x4-32
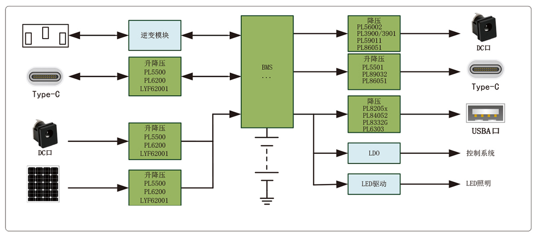
2、利用率理的成語圖:
3、代謝物形容
PL5500不是款云同步四旋轉開關雙重減壓-升壓型規范器,是可以或改善不壓低或壓低讀取電流值的讀取電流值。PL5500 可在 3.6 V 至 32 V(較大 36 V)的寬讀取電流值占比內主線任務,撐持特殊采取。PL5500可在快充器樣式下為 1、2、3、4、5 和 6 節容量電池快充。 PL5500在穩壓、升壓和穩壓-升壓世界任務類型下悅納自己勻速運動導通情況下放肆,可結束超卓的負荷和路線圖調治。以 FREQ 引腳和 GND 引腳兩者之間功率電阻值的不一樣,按鈕頻度可軟件設置為 150kHz、300kHz、600kHz 或 1200kHz。該器材還有著可程序編程軟開機的攻效,并總需求多種擋拆的攻效,包括逐周期時間功率限定皮膚、的輸出精度的欠壓凍結(UVLO)、的輸出精度的過壓擋拆(OVP)、的輸出精度的過壓擋拆、熱關斷和的輸出精度的發生故障擋拆等。 當 OTG 為高電平日平庸,VADJ、IADJ 引腳使用于在鋰電池板板尖端放電主要形式下對輸入的 VBUS 相工作電壓和輸入的直流電限定版停止工作編程序,這使PL5500成了 USB 交流電源信賴 (PD) 根據的必備做好。PL5500供應者相工作電壓有節制環、恒流環、熱食補環和鋰電池板板溫度表調節器器,是鋰電池板板手機充電續辦的建立健全應對打算。
4、經典故事進行處景
- 車載影音智能
- 新能供氣管理體制
- 攜便式式裝置
5、二極管封裝短信
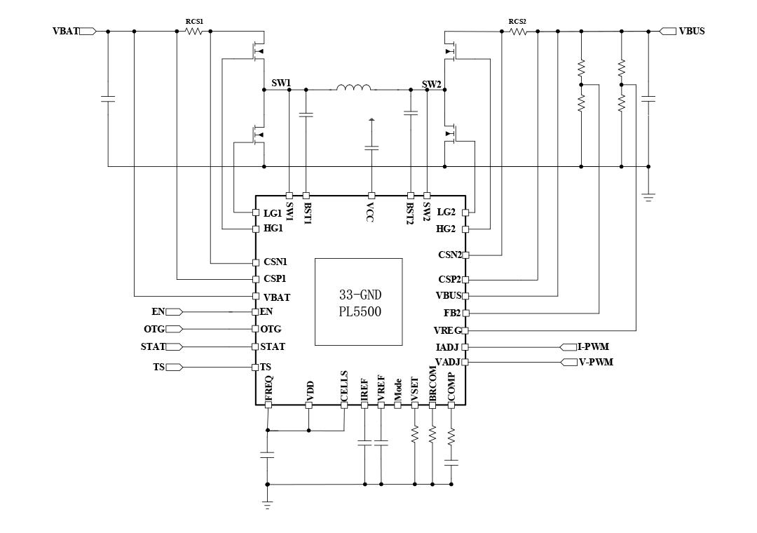
6、管腳界說和功用描寫出
管腳功能描繪
序號 | 稱號 | 描寫 |
---|---|---|
1 | VADJ | 毗連0-2V摹擬電壓或PWM旌旗燈號,以在VREF引腳上編程電壓參考。將此引腳毗連到VDD將強迫VREF恒定為2V。 |
2 | IADJ | 毗連0-2V摹擬電壓或PWM旌旗燈號以編程IREF引腳上的電壓參考。將此引腳毗連到VDD將強迫IREF為2V。 |
3 | VSET | 當OTG為低電平且PL5500任務在電池充電形式下時,在VSET和GND之間毗連一個電阻器,以編程電池范例(4.2V、4.35V、4.4V、4.5V)。當OTG高于1.2V 時,VSET引腳上的電壓將與CSP2和CSN2之間的電壓差成反比。利用處置器能夠利用此信息來監控電池放電形式下的放電電流。 |
4 | IREF | 輸出和輸出限流回路的參考電壓。 |
5 | VREF | 電壓節制回路的電壓基準 |
6 | BRCOM | 電池內阻彌補。該引腳上的電壓將與 CSP1 和 CSN1 之間的電壓差成反比。利用處置器能夠利用此信息來監控電池充電形式下的充電電流。 |
7 | MODE | CCM/DCM 形式設置引腳。Float 能夠設置器件在輕載時以 DCM 形式運轉,將此引腳毗連到 GND 設置器件在 CCM 形式下運轉。Mode 由高值電阻器在外部拉高。 |
8 | STAT | OTG=低時顯現充電狀況。當OTG=高時收回PGOOD旌旗燈號。 |
9 | FREQ | 毗連到GND以將開關頻次設置為150kHz。將此引腳毗連到VDD以將開關頻次設置為300kHz。毗連到VDD和GND之間的電阻分壓器,將頻次設置為600k和1200kHz。 |
10 | COMP | 偏差縮小器輸出。 |
11 | VREG | 增加一個電阻分壓器來設置VBUS調理電壓。當電池充電形式下因為充電電流較大而將VBUS下拉至靠近VREG設定點時,VREG調理環路將接收節制并下降下拉充電電流,以防止VBUS進一步下拉。VREG在放電形式下未激活。 |
12 | FB2 | VBUS電壓反應。將VBUS和GND之間的電阻分壓器毗連到FB2,以在電池放電形式下對VBUS電壓停止編程。 |
13 | CSN2 | 輸出電流檢測的負輸出。 |
14 | CSP2 | 輸出電流檢測的正輸出。 |
15 | VBUS | VBUS 總線電壓 |
16 | HG2 | 高側場效應管驅動器 2。 |
17 | BST2 | 用于高端場效應管驅動器的升壓引腳 2。 |
18 | SW2 | 將此引腳毗連到功率級的開關點 2。 |
19 | LG2 | 低側場效應管驅動器輸出 2。 |
20 | VCC | 5.0V 電源,用于高壓側和高壓側驅動器。 |
21 | LG1 | 低側場效應管驅動器輸出1。 |
22 | SW1 | 將此引腳毗連到功率級的開關管1。 |
23 | BST1 | 用于高側場效應管驅動器的升壓引腳1。 |
24 | HG1 | 高側 MOSFET 驅動器1。 |
25 | VBAT | 電池電壓或輸出電壓。 |
26 | CSP1 | 輸出電流感到的正輸出。 |
27 | CSN1 | 輸出電流檢測的負輸出。 |
28 | EN | 高電平將啟用轉換器。邏輯低電平將禁用全部PL5500。EN在外部被一個高阻值電阻器拉高。 |
29 | CELLS | 在VDD和GND之間毗連一個電阻分壓器以對電池停止編程。 |
30 | OTG | 將OTG毗連到 地(0)能夠將PL5500設置為電池充電形式。毗連OTG形式,將PL5500設置為電池放電形式。 |
31 | TS | 電池溫度感到。 |
32 | VDD | 5.4V電源為PL5500焦點電壓。 |
二、手藝人文本文檔
范例 | 標題 | 上傳時候 | 文檔下載 |
物質要求書(用英語) | PL5500_Datasheet_en_ r1.1 | 2025/04/24 | PDF下載 |
三、進行進度表
序號 | 標題 |
1 |
電開東西及電池包計劃
|
2 |
挪動儲能電源計劃
|